
0-6.5mm特殊微分头
测量参数
| 测量范围 | 精度 | 分辨力 |
|---|---|---|
| 0-6.5mm | 0.005mm | 0.01mm |
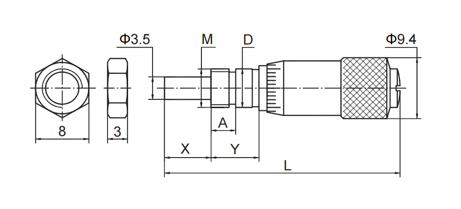
尺寸图

主要参数
| 可选值 | 客户可选参数或定制 |
|---|---|
| X | 7.5-9mm |
| Y | 6mm、6.35mm、6.5mm |
| A | 0、4mm、Y |
| D | Φ6mm Φ6.35mm Φ6.5mm |
| M | M6X0.5 M6.35X0.635 |
| L:23.5+X+Y |
咨询热线0576-89603754

0-6.5mm特殊微分头
| 测量范围 | 精度 | 分辨力 |
|---|---|---|
| 0-6.5mm | 0.005mm | 0.01mm |

| 可选值 | 客户可选参数或定制 |
|---|---|
| X | 7.5-9mm |
| Y | 6mm、6.35mm、6.5mm |
| A | 0、4mm、Y |
| D | Φ6mm Φ6.35mm Φ6.5mm |
| M | M6X0.5 M6.35X0.635 |
| L:23.5+X+Y |