可换测砧内径千分尺
选配60°或55°V型及锥型可换测砧。
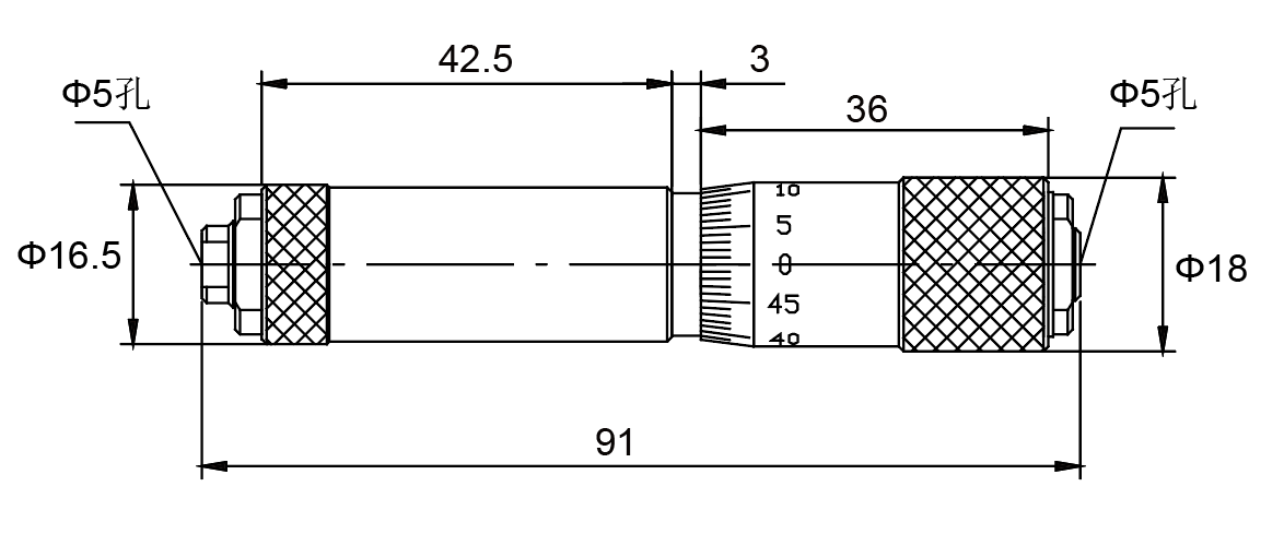
测砧尾部尺寸为Φ5X15mm。
配有校对卡规,校对零位。
分辨力:0.01mm。
也可选配球形测砧,用于内齿轮节圆直径的测量。
测量参数
| 货号 | 测量范围 | 精度 |
|---|
| 318-01-050 | 75-100mm | 0.003mm |
| 318-02-050 | 100-125mm | 0.003mm |
| 318-03-050 | 125-150mm | 0.003mm |
| 318-04-050 | 150-175mm | 0.003mm |
| 318-05-050 | 175-200mm | 0.004mm |
| 318-06-050 | 200-225mm | 0.004mm |
| 318-07-050 | 225-250mm | 0.004mm |
| 318-08-050 | 250-275mm | 0.004mm |
| 318-09-050 | 275-300mm | 0.005mm |
尺寸图

可换V型及锥型测砧(选配)
| 货号 | 螺距 |
|---|
| 螺纹(60°牙型) |
| F0300 |
| F0301 | 0.4-0.5mm/64-48TPI |
| F0302 | 0.6-0.9mm/44-28TPI |
| F0303 | 1-1.75mm/24-14TPI |
| F0304 | 2-3mm/13-9TPI |
| F0305 | 3.5-5mm/8-5TPI |
| F0306 | 5.5-7mm/4.5-3.5TP |
| 货号 | 螺距 |
|---|
| 威氏螺纹(55°牙型) |
| F0400 |
| F0401 | 60-48TPI |
| F0402 | 48-40TPI |
| F0403 | 40-32TP |
| F0404 | 32-24TPI |
| F0405 | 24-18TPI |
| F0406 | 18-14TPI |
| F0407 | 14-10TPI |
| F0408 | 10-7TPI |
| F0409 | 7-4.5TPI |
| F0410 | 4.5-3.5TPI |